Festo Webinar

FluidDraw P7 – Professionelle Schaltpläne einfach und effizient erstellen

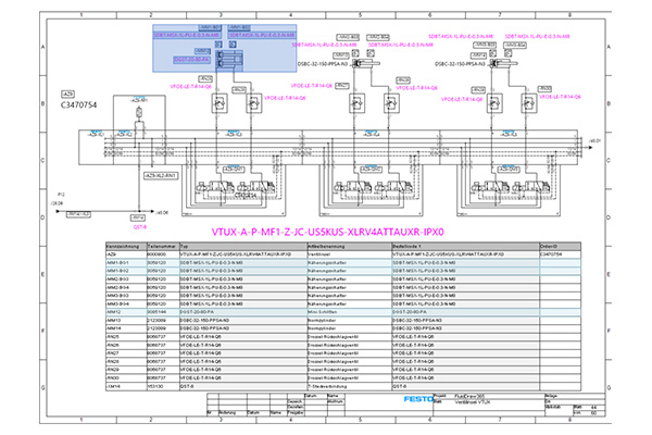
FluidDraw P7 ist die leistungsstarke Schaltplansoftware von Festo für Pneumatik, Hydraulik und Elektrik. Mit normgerechten Symbolbibliotheken, automatisierten Funktionen und direkter Integration des Festo-Katalogs erstellen Sie Schaltpläne schneller, präziser und komfortabler. Im Webinar erfahren Sie kompakt, welche Neuheiten die Version P7 bietet und wie Sie Ihre Dokumentation auf das nächste Level heben.
Webinar connect&learn
Freitag, 27.02.2026
09:00 - 10:00 Uhr
Diese Inhalte erwarten Sie
Festo FluidDraw
Neue Funktionen kompakt erklärt

Wir zeigen Ihnen praxisnah die neuesten Funktionen von FluidDraw P7 und wie Sie diese direkt in Ihren Projekten einsetzen können.

  • Normgerechte Symbolbibliotheken nach ISO 1219-1, DIN EN 60617 und DIN EN 81346-2
  • Automatisierte Funktionen wie Autoconnect, Querverweise und intelligente Leitungskennzeichnung
  • Direkter Zugriff auf den Festo-Katalog und erweiterte Möglichkeiten für eigene Bibliotheken und Makros

Unsere Highlights
Festo FluidDraw
Live-Demo der neuen Features

Erleben Sie FluidDraw P7 in Aktion: Unser Experte präsentiert die wichtigsten Neuerungen direkt in der Software. Sie sehen, wie automatisierte Funktionen, neue Bibliotheken und komfortable Auswertungen Ihre Arbeit vereinfachen und beschleunigen – praxisnah und sofort anwendbar.
Tobias Brucker
„Mit FluidDraw P7 machen wir komplexe Schaltpläne einfacher, schneller und normgerecht – damit Sie mehr Zeit für das Wesentliche haben.“

Martin Wolfrum
Experte für Produktmanagement FluidDraw
Festo Vertrieb GmbH & Co. KG
Für wen ist das Webinar?
Zielgruppen
Zielgruppen

Das Webinar richtet sich Anwender, die Schaltpläne effizient und professionell erstellen möchten:

  • Konstrukteure
  • Instandhalter
  • FluidDraw Anwender


Unsere Experten und Referenten
Tobias Brucker
Martin Wolfrum ist Produktmanager für FluidDraw bei Festo Vertrieb GmbH & Co. KG. Er hat bereits über 20 Jahre Erfahrung mit FluidDraw und tiefes Fachwissen in der Automatisierung.

Martin Wolfrum
Experte für Produktmanagement FluidDraw
Festo Vertrieb GmbH & Co. KG

Jetzt kostenlos anmelden!

Füllen Sie das folgende Formular aus, um am Webinar FluidDraw am 27.02.2026 teilzunehmen. Wir freuen uns auf Sie!